Ab 2025 wird NanoWorldMaps Zugang zu elektronenmikroskopischen Untersuchungen mit dem MultiSEM (mSEM) von Zeiss Microscopy bieten.
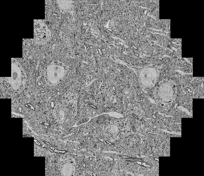
Das mSEM nutzt 91 parallel arbeitende Elektronenstrahlen und ermöglicht so eine ultraschnelle, hochauflösende Abbildung selbst makroskopischer Objekte im Nanometermaßstab. Die Technologie ist ideal für die Analyse von Halbleiterchips, Nanomaschinen, biologischen Gewebeproben oder komplexen Organstrukturen wie dem Gehirn geeignet.
Über NanoWorldMaps
Europas neue Forschungsinfrastruktur für ultraschnelle 2D/3D-Bildgebung
NanoWorldMaps ist eine geplante, europaweit verteilte Forschungsinfrastruktur, die Wissenschaftler:innen aus Industrie und Forschung Zugang zu hochmodernen Technologien für ultraschnelle und großflächige 2D/3D-Bildgebung im Nanometerbereich bietet. Ziel ist es, Europa in der hochdurchsatzfähigen, multimodalen Bildgebung auf Nanometerskala führend zu positionieren.

multi-beam_mouse-brain
multi beam image of mouse brain
Kerntechnologien:
Anwendungsfelder:
Zugang und Services:
Derzeit befindet sich NanoWorldMaps in der Konzeptphase und arbeitet an einem integrierten Servicekonzept, das von der Probenvorbereitung und Bildaufnahme bis zur Datenauswertung mittels Supercomputern und Künstlicher Intelligenz reicht. Die Bereitstellung validierter Daten auf verschiedenen Wissenschafts-Cloud-Systemen ist ebenfalls vorgesehen.
Weitere Informationen finden Sie auf der offiziellen Webseite: https://nanoworldmaps.eu






